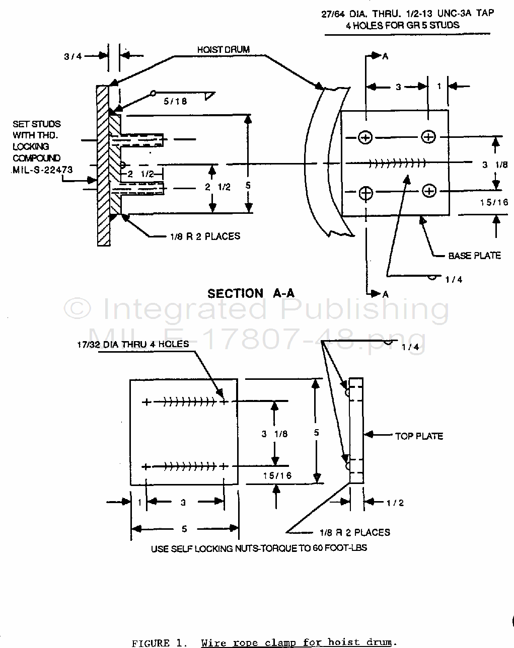
MIL-E-17807 Elevator, Weapon And Cargo, Electromechanical (Shipboard)This specification covers the general requirements for the design, construction, and testing of electromechanical hoist rope operated elevators used to handle bombs, weapons, other explosives, and general cargo for shipboard applications.